
产品特点:KTK102-T十字槽轮辐式测力传感器 具有高底低,钢性好,精度高,抗偏裁能力强等特点。
产品用途:KTK102-T十字槽轮辐式测力传感器适用于皮带秤、料斗秤、仓储秤、料罐、材料力学试验机、劳保安全检测设备。
量程:KTK102 : 5kN(500kg)、10kN(1t)、20 kN(2t)、30 kN(3t)、50 kN(5t)、100 kN(10t)、200 kN(20t)、300 kN(30t)
KTK102-T: 50 kN(5t)、100 kN(10t)、200 kN(20t)
技术参数及外形尺寸:
序号 | 产品技术参数 | |
1 | 额定载荷 | 5kN-300kN |
2 | 综合精度 | ≤0.05%F.S |
3 | 灵敏度 | 2.0m±0.01V/V |
4 | 线性 | ≤0.03%F.S |
5 | 滞后 | ≤0.05%F.S |
6 | 蠕变 | ≤0.05%F.S/30min |
7 | 重复性 | ≤0.02%F.S |
8 | 零点输出 | ±1%F.S |
9 | 输入阻抗 | 387±20Ω |
10 | 输出阻抗 | 350±5Ω |
11 | 绝缘阻抗 | ≥5000MΩ |
12 | 输出温度影响 | <0.05%F.S/10℃ |
13 | 零点温度影响 | <0.05%F.S/10℃ |
14 | 推荐激励电压 | 10V(DC) |
15 | 适用温度范围 | -20~70℃ |
16 | 安全过载 | 150%F.S |
17 | 材质 | 合金钢 |
18 | 接线方式 | 红……E+(电源正) 黑……E-(电源负) 绿……S+(信号正) 白……S-(信号负) |

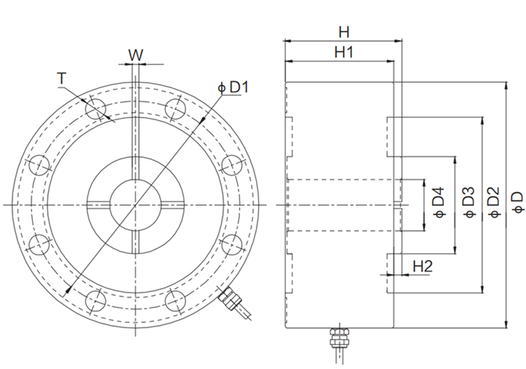
型号 | 量程(kN) | 量程(t) | D | D1 | D2 | D3 | D4 | H | H1 | H2 | W | T |
KTK102 | 5-100 | 0.5-10 | 118 | 100 | 82 | 36 | 24 | 50 | 43 | 7 | 4×5.1 | 8×Φ9 |
200 | 20 | 160 | 135 | -- | 62 | 40 | 53 | 45.5 | 7.5 | 4×5.1 | 10×Φ14 | |
300 | 30 | 172 | 147 | -- | 65 | 45 | 74.5 | 67 | 7.5 | 4×5.1 | 12×Φ14 | |
KTK102-T | 50-200 | 5-20 | 130 | 105 | 84 | 48 | 32 | 55 | 48 | 7 | 4×5 | 8×Φ14 |