
产品特点:KTK103键槽轮辐式测力传感器采用低截面设计的传感器,是为试验机专门设计的拉压两用传感器
产品用途:KTK103键槽轮辐式测力传感器可满足不同精度试验的要求,同时也可用作各种力量测量。
量程:5 kN(500kg)、10 kN(1t)、20 kN(2t)、50 kN(5t)、100 kN(10t)、200 kN(20t)、250 kN(25t)、300 kN(30t)
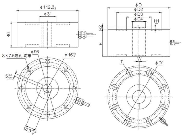
技术参数及外形尺寸:
序号 | 产品技术参数 | |
1 | 额定载荷 | 5 kN-300 kN |
2 | 综合精度 | 0.05%F.S |
3 | 灵敏度 | 2.0mV/V |
4 | 蠕变 | ±0.05%F.S/30min |
5 | 零点输出 | ±1%F.S |
6 | 输入阻抗 | 387±10Ω |
7 | 输出阻抗 | 350±3Ω |
8 | 绝缘阻抗 | ≥5000MΩ |
9 | 输出温度影响 | <0.03%F.S/10℃ |
10 | 零点温度影响 | <0.03%F.S/10℃ |
11 | 推荐激励电压 | 10V(DC/AC) |
13 | 工作温度范围 | -20~70℃ |
14 | 安全过载 | 150%F.S |
15 | 材质 | 优质合金钢 |
16 | 接线方式 | 红……E+(电源正) 黑……E-(电源负) 绿……S+(信号正) 白……S-(信号负) |

量程(t) | D | D1 | D2 | D3 | D4 | H | H1 | H2 | W | T |
5t-10t | ɸ130 | ɸ105 | ɸ84 | ɸ48 | ɸ32 | 55 | 6 | 6 | 4×5 | 8×Φ14 |
20t-30t | ɸ182 | ɸ154 | ɸ130 | ɸ72 | ɸ39 | 80 | 6 | 6 | 4×5 | 8×Φ15 |