
产品特点:KTK102-N内螺纹轮辐式测力传感器采用优质合金钢材质,表面镀镍防腐处理。具有高精度,高稳定性,低外形,安装简便、快速等特点。
产品用途:KTK102-N内螺纹轮辐式测力传感器适用于配料秤、工业称重系统等。
量程:10kN(1t)、20kN(2t)、50kN(5t)、200kN(20t)
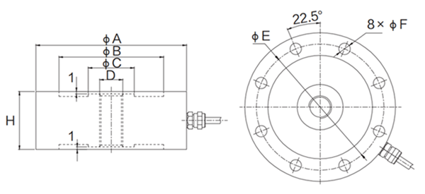
技术参数及外形尺寸:
序号 | 产品技术参数 | |
1 | 额定载荷 | 10,20,50,200kN |
2 | 综合精度 | ≤0.05%F.S |
3 | 额定输出 | 2.0±0.01mV/V |
4 | 蠕变 | ±0.05%F.S/30min |
5 | 零点输出 | ±1%F.S |
6 | 输入阻抗 | 390±15Ω |
7 | 输出阻抗 | 350±5Ω |
8 | 绝缘阻抗 | ≥5000MΩ |
9 | 推荐激励电压 | 10V(DC/AC) |
10 | 工作温度范围 | -20~70℃ |
11 | 安全过载 | 150%F.S |
12 | 材质 | 优质合金钢 |
13 | 接线方式 | 红……E+(电源正) 黑……E-(电源负) 绿……S+(信号正) 白……S-(信号负) |

型号 | 量程(t) | ɸA | ɸB | ɸC | D | E | ɸF | H |
KTK102-N | 1,2,5(t) | ɸ118 | ɸ82 | ɸ36 | M18×1.5 | 100 | ɸ9 | 46 |
20t | ɸ182 | ɸ126 | ɸ76 | M39×2 | 154 | ɸ14 | 60 |