
产品特点:KTK504悬臂梁式称重传感器采用优质合金材质,安装高度低,长期稳定性好,结构紧凑,防爆性能高。
产品用途:KTK504悬臂梁式称重传感器适用于自动化测力、试验机等力量测量。
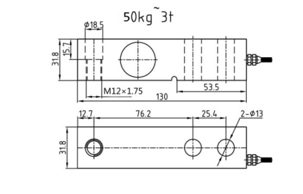
量程:500N(50kg)、1kN(100kg)、2kN(200kg)、3kN(300kg)、5kN(500kg)、10kN(1t)、20kN(2t)、25kN(2.5t)
技术参数:
序号 | 产品技术参数 | |
1 | 额定载荷 | 0.5-25kN |
2 | 综合精度 | 0.05;0.1%F.S |
3 | 灵敏度 | 2.0mV/V |
4 | 零点输出 | ≤0.1%F.S |
5 | 输入阻抗 | 380±20Ω |
6 | 输出阻抗 | 351±3Ω |
7 | 绝缘阻抗 | ≥5000MΩ |
8 | 补偿温度范围 | -10~40℃ |
9 | 适用温度范围 | -30~70℃ |
10 | 安全过载 | 150%F.S |
11 | 极限载荷 | 300%F.S |
12 | 材质 | 合金钢 |
13 | 激励电压 | 10V(DC) |
14 | 密封等级 | IP67 |
15 | 电缆 | 3m |
16 | 接线方式 | 红……E+(输入正) 黑……E-(输入负) 绿……S+(输出正) 白……S-(输出负) |
