
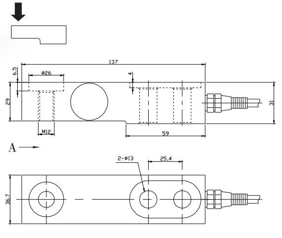
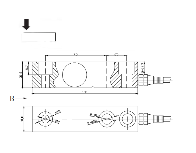
产品特点:KTK506悬臂梁式称重传感器安装高度低、综合精度高、自稳定结构、长期稳定性好,有A、B两种型式选用;优质合金钢结构,表面镀镍处理。
产品用途:KTK506悬臂梁式称重传感器适用于电子台秤、叉车秤、料斗秤和各种配料称重控制。
量程:5 kN(500kg)、10 kN(1t)、20 kN(2t)、30 kN(3t)
技术参数:
序号 | 产品技术参数 | |
1 | 额定载荷 | 5-3t |
2 | 准确度等级 | C3 |
3 | 灵敏度 | 2.0±0.002%mV/V |
4 | 非线性(含滞后) | ±0.02%F.S |
5 | 重复性 | ±0.02%F.S |
6 | 蠕变(30分钟) | ±0.02%F.S |
7 | 零点输出 | ±1%F.S |
8 | 输入阻抗 | 400±20Ω |
9 | 输出阻抗 | 350±2Ω |
10 | 绝缘阻抗 | ≥5000MΩ |
11 | 温度对零点的影响 | ±0.02%F.S/10℃ |
12 | 温度对灵敏度的影响 | ±0.02%F.S/10℃ |
13 | 补偿温度范围 | -20~60℃ |
14 | 适用温度范围 | -30~70℃ |
15 | 安全过载 | 150%F.S |
16 | 极限载荷 | 200%F.S |
17 | 材质 | 合金钢 |
18 | 激励电压 | 10V(DC) |
19 | 接线方式 | 红……E+(输入正) 黑……E-(输入负) 绿……S+(输出正) 白……S-(输出负) |

