
产品特点:KTK101内螺纹轮辐式测力传感器采用优质合金钢材质,表面镀镍防腐处理。具有高精度,高稳定性,低外形,安装简便、快速等特点。
产品用途:KTK101内螺纹轮辐式测力传感器适用于汽车衡、试验机和大型料斗秤等。
量程:5kN(500kg)、10 kN(1t)、20 kN(2t)、30 kN(3t)、50 kN(5t)、100 kN(10t)、200 kN(20t)、250 kN(25t)、300 kN(30t)、500 kN(50t)、
600kN(60t)、1000 kN(100t)、1500 kN(150t)、2000 kN(200t)、3000kN(300t)、5000kN(500t)
技术参数:
序号 | 产品技术参数 | |
1 | 额定载荷 | 5kN-5000kN |
2 | 综合精度 | 0.05%F.S |
3 | 灵敏度 | 2.0mV/V±0.25% |
4 | 蠕变 | ±0.03%F.S/20min |
5 | 零点输出 | ≤±1%F.S |
6 | 输入阻抗 | 387±20Ω/775±20Ω |
7 | 输出阻抗 | 350±5Ω/700±5Ω |
8 | 绝缘阻抗 | ≥5000MΩ |
9 | 推荐激励电压 | 10V(DC) |
10 | 适用温度范围 | -20~70℃ |
11 | 安全过载 | 150%F.S |
12 | 材质 | 优质合金钢 |
13 | 接线方式 | 红……E+(电源正) 黑……E-(电源负) 绿……S+(信号正) 白……S-(信号负) |

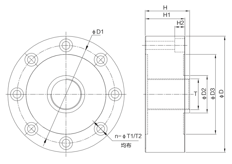
型号 | 量程(t) | D | D1 | D2 | D3 | H | H1 | T | T1 | T2 | H2 | n |
KTK101
| 0.5-7.5 | 105 | 89 | 32 | 75 | 37 | 34 | M16×1.5 | 7.5 | 10.5 | 7.2 | 8 |
10-25 | 120.6 | 101.8 | 39 | 83 | 48 | 41 | M32×1.5 | 8.5 | 14 | 10.5 | 8 | |
30 | 141 | 116.8 | 50.4 | 97 | 57.2 | 50.8 | M40×1.5 | 11 | 18 | 11 | 8 | |
50 | 141 | 116.8 | 54.4 | 93 | 57.2 | 50.8 | M40×1.5 | 11 | 18 | 11 | 8 | |
60-100 | 200 | 162 | 76 | 132 | 83 | 70 | M60×2 | 13 | 20 | 18 | 16 | |
150-200 | 250 | 210 | 110 | 170 | 100 | 90 | M80×3 | 17 | 28 |