
产品特点:KTK101-L内螺纹轮辐式测力传感器可满足不同精度要求,同时也可用作各种力量测量。
产品用途:KTK101-L内螺纹轮辐式测力传感器适用于各种料仓,自动化称重和试验机等力量测量。
量程:0.5kN(50kg)、1kN(100kg)、2kN(200kg)、5kN(500kg)、10kN(1t)、20 kN(2t)、50 kN(5t)、100 kN(10t)、200 kN(20t)、
300 kN(30t)、 500 kN(50t)、600kN(60t)、1000 kN(100t)、2000 kN(200t)、3000 kN(300t)、5000kN(500t)、10000kN(1000t)
技术参数:
序号 | 产品技术参数 | |
1 | 额定载荷 | 0.5kN-10000kN |
2 | 综合精度 | 0.05%(600-5000kN:0.1%F.S) |
3 | 灵敏度 | 2.0±0.01mV/V |
4 | 蠕变 | ±0.05%F.S/20min |
5 | 零点输出 | ±1%F.S |
6 | 输入阻抗 | 387±20Ω |
7 | 输出阻抗 | 350±5Ω |
8 | 绝缘阻抗 | ≥5000MΩ |
9 | 推荐激励电压 | 5-15V(DC) |
10 | 工作温度范围 | -20~70℃ |
11 | 安全过载 | 120%F.S |
12 | 材质 | 优质合金钢 |
13 | 电缆 | 10m;20m |
14 | 接线方式 | 红……E+(电源正) 黑……E-(电源负) 绿……S+(信号正) 白……S-(信号负) |

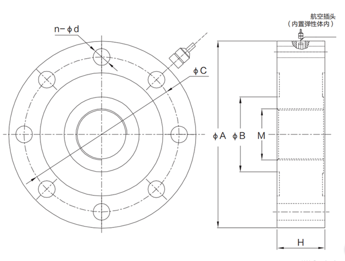
型号 | 量程(kN) | 量程(t) | M | A | B | C | H | n-фd |
KTK101-L
| 0.5-5 | 0.05-0.5 | M16×1.5 | 90 | 25 | 75 | 25 | 4-ф7 |
10 | 1 | M20×2 | 112 | 35 | 96 | 30 | 8-ф9 | |
20 | 2 | M24×2 | 125 | 44 | 105 | 42 | 8-ф11 | |
50-100 | 5-10 | M30×2 | 150 | 48 | 122 | 45 | 8-ф11 | |
200-300 | 20-30 | M42×3 | 180 | 70 | 142 | 53 | 16-ф13.5 | |
500-600 | 50-60 | M64×3 | 234 | 97 | 194 | 60 | 16-ф21.5 | |
1000 | 100 | M96×4 | 320 | 162 | 270 | 100 | 16-ф26 | |
2000-3000 | 200-300 | M120×4 | 360 | 200 | 310 | 126 | 16-ф32.5 | |
5000 | 500 | M200×4 | 500 | 310 | 420 | 160 | 28-ф27 |