
产品特点:KTK105单向轮辐式测力传感器采用优质合金钢材质,高精度,高稳定性,低外形,安装简便、快速,表层镀镍防腐处理。
产品用途:KTK105单向轮辐式测力传感器适用于试验机,汽车衡和大型料斗秤等。
量程:0.5kN(0.05t)、1kN(0.1t)、2 kN(0.2t)、5 kN(0.5t)、10 kN(1t)、20 kN(2t)、50 kN(50t)、100 kN(10t)、200 kN(20t)、300 kN(30t)、
500 kN(50t)、600 kN(60t)、 1000 kN(100t)、2000 kN(200t)、3000kN (300t)
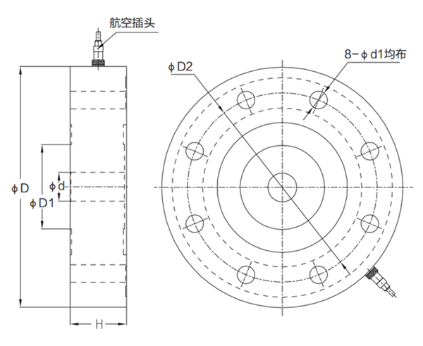
技术参数及产品尺寸:
序号 | 产品技术参数 | |
1 | 额定载荷 | 0.05-200t |
2 | 综合精度 | ≤0.05/0.1%F.S |
3 | 灵敏度 | 1.5-2.5mV/V |
4 | 非线性 | ≤0.05/0.1%F.S |
5 | 滞后 | ≤0.05/0.1%F.S |
6 | 重复性 | ≤0.05%F.S |
7 | 输入阻抗 | 380/760Ω |
8 | 输出阻抗 | 350/700Ω |
9 | 绝缘阻抗 | ≥2000MΩ |
10 | 灵敏度系数温度影响 | <0.05%F.S/10℃ |
11 | 零点温度影响 | <0.05%F.S/10℃ |
12 | 推荐激励电压 | 10V(DC) |
13 | 适用温度范围 | -30~70℃ |
14 | 安全过载 | 150%F.S |
15 | 接线方式 | 红……E+(电源正) 黑……E-(电源负) 绿……S+(信号正) 白……S-(信号负) |

