
产品特点:KTK106内螺纹轮辐式测力传感器采用低截面的紧凑设计,合金钢无电解镀镍处理,具有高输出小变形,偏心加载补偿等特点。
产品用途:KTK106内螺纹轮辐式测力传感器适用于试验机等力量测量。
量程: 2 kN(200kg)、5 kN(500kg)、10 kN(1t)、15 kN(1.5t)、25 kN(2.5t)、50 kN(5t)、100 kN(10t)、200 kN(20t)、300 kN(30t)、
500 kN(50t)、1000 kN(100t)
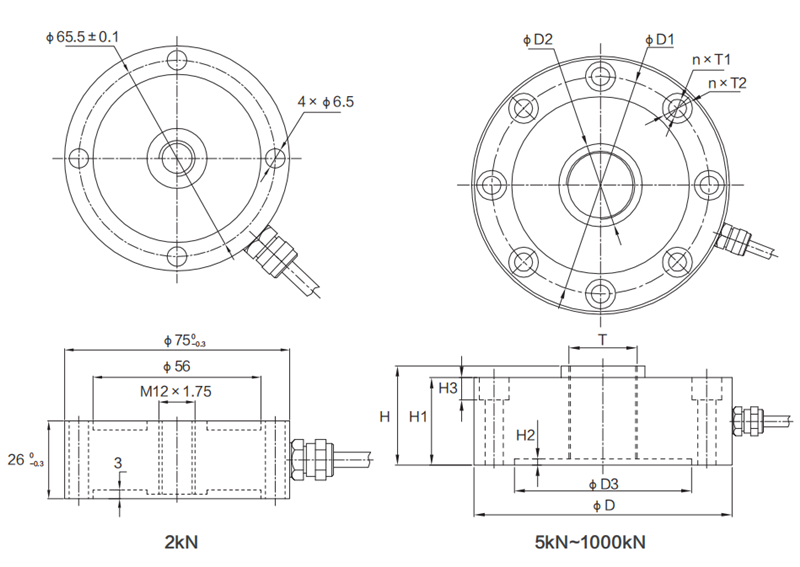
技术参数及产品尺寸:
序号 | 产品技术参数 | |
1 | 额定载荷 | 2kN-1000kN |
2 | 综合精度 | ≤0.05%F.S |
3 | 灵敏度 | 3.0mV/V |
4 | 输入阻抗 | 385±5Ω/1210±20Ω(200kg) |
5 | 输出阻抗 | 350±3Ω/1050±20Ω(200kg) |
6 | 绝缘阻抗 | ≥5000MΩ |
7 | 补偿温度范围 | -10~40℃ |
8 | 适用温度范围 | -30~70℃ |
9 | 安全过载 | 150%F.S |
10 | 材质 | 不锈钢/合金钢 |
11 | 激励电压 | 10V(DC/AC) |
12 | 密封等级 | IP67 |
13 | 接线方式 | 红……E+(输入正) 黑……E-(输入负) 绿……S+(输出正) 白……S-(输出负) |

量程(kN) | 量程(t) | D | D1 | D2 | D3 | H | H1 | H2 | H3 | T | n×T1 | n×T2 |
5-10 | 0.5-1 | 90 | 78 | 22 | 65 | 43 | 40 | 3.0 | 6 | M12×1.75 | 8×Φ6.6 | 8×Φ10.5 |
15-25 | 1.5-2.5 | 105 | 89 | 32 | 75 | 35 | 32 | 3.0 | 7.2 | M16×2 | 8×Φ7.2 | 8×Φ10.5 |
50-100 | 5-10 | 138 | 110 | 44 | 88 | 46 | 41 | 3.0 | 12 | M27×2 | 8×Φ13.2 | 8×Φ19 |
200-300 | 20-30 | 165 | 130 | 55 | 96 | 50 | 41 | 3.0 | 20 | M36×2 | 8×Φ21 | 8×Φ31 |
500 | 50 | 234 | 194 | --- | 150 | 60 | 55 | 4.7 | 22 | M52×2-6H | 16×Φ21 | 16×Φ32 |
1000 | 100 | 258 | 218 | --- | 174 | 60 | 57 |