
产品特点:KTK1001压力传感器采用特种不锈钢制造,耐酸碱腐蚀,精度高,稳定性好,量程范围广。
产品用途:KTK1001压力传感器广泛应用于化工、冶金等行业测控领域。
量程:5Mpa、10Mpa、20Mpa、50Mpa、100Mpa、200Mpa、300Mpa
技术参数:
序号 | 产品技术参数 | |
1 | 额定载荷 | 5Mpa-300Mpa |
2 | 综合精度 | 0.1-0.5%F.S |
3 | 灵敏度 | 1-1.5mV/V |
4 | 蠕变 | ±0.05%F.S/30min |
5 | 零点输出 | ±1%F.S |
6 | 零点温度影响 | ±0.1-0.3%F.S/10℃ |
7 | 输出温度影响 | ±0.1-0.3%F.S/10℃ |
8 | 阻抗 | 350Ω/2000Ω |
9 | 绝缘阻抗 | ≥5000MΩ |
10 | 工作温度 | -10~65℃ |
11 | 安全过载 | 150%F.S |
12 | 材质 | 不锈钢 |
13 | 接线方式 | 红……E+(输入正) 黑……E-(输入负) 绿……S+(输出正) 白……S-(输出负) |

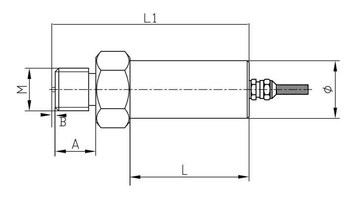
型号 | 量程(Mpa) | M | A | B | L1 | L | Φ | |
带变送器 | 无变送器 | |||||||
KTK1001 | 5-80 | M20×1.5 | 18 | 2 | 90 | 60 | 59 | 27 |
100-150 | M20×1.5 | / | 2 | 95 | 65 | 65 | 27 | |
200-300 | M27×2 | / | 2 | 115 | 85 | 85 | 30 | |