
产品特点:KTK501悬臂梁式称重传感器一端固定一端加载,重心低,安装方便,互换性好。
产品用途:KTK501悬臂梁式称重传感器适用于平台秤及配料控制系统等。
量程:500N(50kg) 、1 kN(100kg) 、2 kN(200kg) 、3 kN(300kg) 、5kN(500kg)、10 kN(1t)、20 kN(2t)、
25kN(2.5t) 、30 kN(3t)、50 kN(5t)、75 kN(7.5t)、100 kN(10t)
技术参数:
序号 | 产品技术参数 | |
1 | 额定载荷 | 100kg-10t |
2 | 综合精度 | D1;C3 |
3 | 灵敏度 | 2.03.0mV/V |
4 | 零点输出 | ≤0.1%F.S |
5 | 输入阻抗 | 400±10Ω |
6 | 输出阻抗 | 351±3Ω |
7 | 绝缘阻抗 | ≥5000MΩ |
8 | 补偿温度范围 | -10~40℃ |
9 | 适用温度范围 | -30~70℃ |
10 | 安全过载 | 150%F.S |
11 | 极限载荷 | 300%F.S |
12 | 材质 | 合金钢 |
13 | 激励电压 | 10V(DC) |
14 | 密封等级 | IP67/IP68 |
15 | 电缆 | 3-5m |
16 | 接线方式 | 红……E+(输入正) 黑……E-(输入负) 绿……S+(输出正) 白……S-(输出负) |
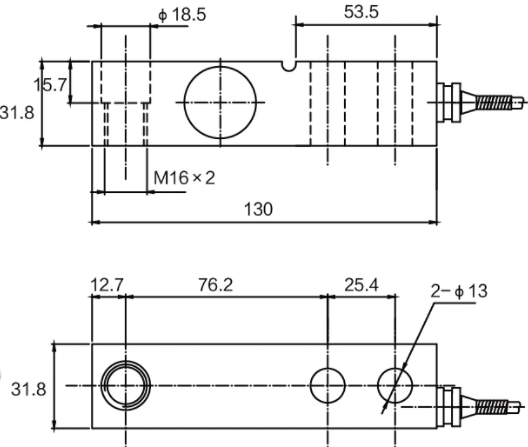
100kg—2500kg


型号 | 量程(kN) | 量程(t) | L | L1 | L2 | L3 | L4 | B/H | H1 | D1 | D2 | D3 |
KTK501 | 30-50 | 3-5 | 171.5 | 19 | 95.3 | 38.1 | 72.5 | 38.1 | 26 | Φ20 | M18×1.5 | Φ20 |
75,100 | 7.5,10 | 225.5 | 25.3 | 124 | 50.8 | 102 | 50.8 | 25.4 | Φ27 | M24×2 | Φ27 |