
产品特点:KTK201钢制方S型拉压传感器,承受拉、压外力均可,输出对称性好,结构紧凑、安装方便,规格齐全。
产品用途:KTK201方S型拉压称重传感器适用于制造机电结合秤、吊钩秤、料斗秤及各种专用秤、工艺秤等。
量程:10N(1kg)、20N(2kg)、30N(3kg)、50N(5kg)、100N(10kg)、200N(20kg)、300N(30kg)、500N(50kg)、1kN(100kg)、2 kN(200kg)、
3 kN(300kg)、5 kN(500kg)、10 kN(1t)、20 kN(2t)、30 kN(3t)、50 kN(5t)、100 kN(10t)、150 kN(15t)、200 kN(20t)
技术参数:
序号 | 产品技术参数 | |
1 | 额定载荷 | 1kg、2kg、3kg |
2 | 综合精度 | 0.05%F.S |
3 | 灵敏度 | 1.0mV/V |
4 | 零点输出 | ≤0.1%F.S |
5 | 输入阻抗 | 380±20Ω |
6 | 输出阻抗 | 351±3Ω |
7 | 绝缘阻抗 | ≥5000MΩ |
8 | 补偿温度范围 | -10~40℃ |
9 | 适用温度范围 | -20~60℃ |
10 | 安全过载 | 150%F.S |
11 | 极限载荷 | 300%F.S |
12 | 材质 | 优质铝合金 |
13 | 激励电压 | 10V(DC) |
14 | 密封等级 | IP67 |
15 | 电缆 | 2m |
16 | 接线方式 | 红……E+(输入正) 黑……E-(输入负) 绿……S+(输出正) 白……S-(输出负) |

10N-30N

50N-200KN
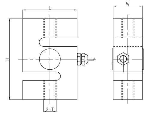
型号 | 量程(kN) | 量程(kg) | L | H | W | T |
KTK201 | 0.05-0.5 | 5-50 | 51 | 64 | 13 | M8×1.25 |
1-5 | 100-500 | 51 | 76 | 19.1 | M12×1.75 | |
10-20 | 1000-2000 | 54 | 76 | 25.4 | M12×1.75 | |
25-50 | 2500-5000 | 76 | 108 | 25.4 | M18×1.5 | |
75 | 7500 | 100 | 140 | 32 | M24×2 | |
100 | 10000 | 126 | 178 | 50 | M30×2 | |
150-200 | 15000-20000 | 140 | 188 | 60 | M39×2 | |
KTK201-T | KTK201-T-0.5 | 50 | 51 | 76 | 19.1 | M12ⅹ1.75 |
KTK201-T-20 | 2000 | 76 | 108 | 25.4 | M20ⅹ2.5 |