
产品特点:KTK202方S型拉压传感器具有精度高,双向承载,安装方便 等特点。
产品用途:KTK202方S型拉压传感器适用于配料秤、吊钩秤、机电结合秤,包装秤,材料力学试验机等设备力值的测量与控制。
量程:KTK202:5kN(500kg)、10kN(1t),15kN(1.5t)、20kN(2t)
KTK202 :10kN(1t),20kN(2t)
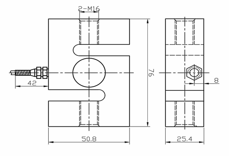
技术参数及外形尺寸:
序号 | 产品技术参数 | |
1 | 额定载荷 | 5kN-20kN |
2 | 综合精度 | 0.05%F.S |
3 | 灵敏度 | 2.0mV/V±0.001 |
4 | 零点平衡 | ±1%F.S |
5 | 输入阻抗 | 380±10Ω |
6 | 输出阻抗 | 350±3Ω |
7 | 绝缘阻抗 | ≥5000MΩ |
8 | 补偿温度范围 | -10~40℃ |
9 | 适用温度范围 | -30~65℃ |
10 | 安全过载 | 150%F.S |
11 | 极限载荷 | 300%F.S |
12 | 材质 | 40CrNiMoA/42CrMo |
13 | 激励电压 | 10V(DC) |
14 | 密封等级 | IP65/IP67 |
15 | 电缆 | 4m |
16 | 接线方式 | 红……E+(输入正) 黑……E-(输入负) 绿……S+(输出正) 白……S-(输出负) |

KTK202:M16×2
KTK202-T:M16×1.5