
产品特点:KTK203圆S型拉压传感器,承受拉、压外力均可;输出对称性好,结构紧凑;安装方便,规格齐全。
产品用途:KTK203圆S型拉压传感器适用于配料秤、吊钩秤、机电结合秤,包装秤,材料力学试验机等专用测力装置。
量程:250N(25kg)、300N(30kg)、500N(50kg)、750N(75kg)、1 kN(100kg)、1.5 kN(150kg)、2 kN(200kg)、
2.5 kN(250kg)、3 kN(300kg)、5 kN(500kg)、7 kN(700kg)、10 kN(1t)、12 kN(1.2t)、15 kN(1.5t)、
20 kN(2t)、25 kN(2.5t)、30 kN(3t)、50 kN(5t)、75 kN(7.5t)、100 kN(10t)
技术参数:
序号 | 产品技术参数 | |
1 | 额定载荷 | 25-10000kg |
2 | 综合精度 | C2;C3 |
3 | 灵敏度 | 2.0mV/V±0.3%(20-7500kg) 1.8mV/ V±0.2%(10000kg) |
4 | 输入阻抗 | 400±20Ω |
5 | 输出阻抗 | 350±3Ω |
6 | 绝缘阻抗 | ≥5000MΩ |
7 | 补偿温度范围 | -10~40℃ |
8 | 安全过载 | 150%F.S |
9 | 材质 | 合金钢 |
10 | 激励电压 | 10V(DC/AC) |
11 | 密封等级 | IP65(20-1000kg) IP68(1200-10000kg) |
12 | 电缆 | 2.6m(20-1000kg) 3m(1200-10000kg) |
13 | 接线方式 | 红……E+(电源正) 黑……E-(电源负) 绿……S+(信号正) 白……S-(信号负) |


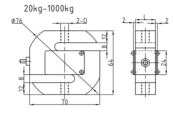
型号 | 量程(kN) | 量程(kg) | D | L | H |
KTK203 | 0.25-1.5 | 25-150 | M8×1.25 | 12 | -- |
2-5 | 200-500 | M12×1.75 | 20 | -- | |
7-10 | 700-1000 | M12×1.75 | 25 | -- | |
12-50 | 1200-5000 | M20×2.5 | 32 | 90 | |
75 | 7500 | M24×3 | 40 | 90 | |
100 | 10000 | M30×2 | 50 | 110 |