
产品特点:KTK705-C铝制箱式平行梁称重传感器为单点承载结构,出厂时已通过四角调整保证其在规定的受载平面内各点输出一致。产品结构形式简单,使用方便。
产品用途:KTK705-C平行梁称重传感器适用于制作由单只传感器构成的各种形式电子台秤、灌装秤等。
材质及量程:
合金钢:KTK705 :0.5kN(50kg),1kN(100kg),1.5kN(150kg),2kN(200kg),2.5kN(250kg)、5kN(500kg)、10kN(1t)
铝合金:KTK705-A:0.5kN(50kg),1kN(100kg),1.5kN(150kg),2kN(200kg)
KTK705-B:2.5kN(250kg)、5kN(500kg)
KTK705-C:7.5kN(750kg)、10kN(1t)、20kN(2t)
技术参数:
序号 | 产品技术参数 | |
1 | 额定载荷 | 50kg-2000kg |
2 | 综合精度 | ≤0.02%F.S |
3 | 额定输出 | 2.0mV |
4 | 蠕变 | ±0.02%F.S/30min |
5 | 零点输出 | ±1%F.S |
6 | 零点温度影响 | ±0.03%F.S/10℃ |
7 | 输出温度影响 | ±0.02%F.S/10℃ |
8 | 输入阻抗 | 410±15Ω/382±15 |
9 | 输出阻抗 | 350±5Ω |
10 | 绝缘阻抗 | ≥5000MΩ |
11 | 工作温度范围 | -10~65℃ |
12 | 安全过载 | 150%F.S |
13 | 材质 | KTK705:合金钢 KTK705-A,KTK705-B,KTK705-C:铝合金 |
14 | 推荐工作电压 | 5-12VDC |
15 | 接线方式 | 红……E+(输入正) 黑……E-(输入负) 绿……S+(输出正) 白……S-(输出负) |

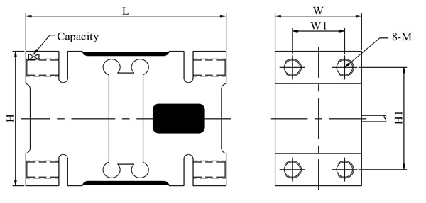
型号 | 量程(kN) | 量程(kg) | L | W | W1 | H | H1 | M | 推荐安装尺寸 |
KTK705 | 0.5-20 | 50-2000 | 150 | 64 | 38 | 72 | 45 | M14 | 800×800mm |
KTK705-A | 0.5-2 | 50-200 | 156 | 44 | 24 | 75 | 50 | M12×1.75 | 600×600mm |
KTK705-B | 2.5-5 | 250-500 | 146 | 60 | 36 | 95 | 70 | M12×1.75 | 600×800mm |
KTK705-C | 7.5-20 | 750-2000 | 176 | 76 | 46 | 125 | 95 | M16×2 | 1200×1200mm |