
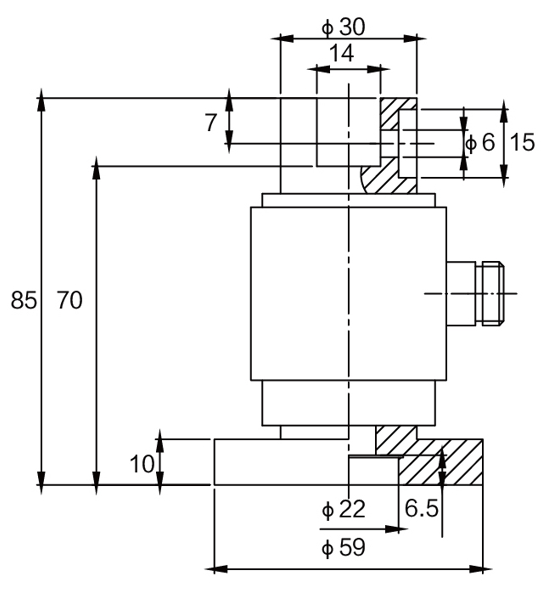
产品特点:KTK901静态扭矩传感器精度高,性能稳定可靠,低量程扭矩测量,安装使用方便。一端为键连接,一端为法兰盘连接。
产品用途:KTK901适用于静态、非连续旋转的扭矩力值的测量。
量程:1N.m、2 N.m、5 N.m、10 N.m、20 N.m、50 N.m、100 N.m、200 N.m
技术参数:
序号 | 产品技术参数 | |
1 | 额定载荷 | 1Nm-200Nm |
2 | 综合精度 | 0.2%F.S |
3 | 灵敏度 | 1.0-1.5mV/V |
4 | 蠕变/30分钟 | ±0.2%F.S/30min |
5 | 零点输出 | ±1%F.S |
6 | 零点温度影响 | ±0.2%F.S/10℃ |
7 | 输出温度影响 | ±0.2%F.S/10℃ |
8 | 输入阻抗 | 750±30Ω |
9 | 输出阻抗 | 700±5Ω |
10 | 绝缘阻抗 | >2000MΩ |
11 | 工作温度 | -10~65℃ |
12 | 安全过载 | 120%F.S |
13 | 激励电压 | 10VDC |
14 | 材质 | 合金钢 |
15 | 接线方式 | 红……E+(输入正) 黑……E-(输入负) 绿……S+(输出正) 白……S-(输出负) |

