
产品特点:KTK106-T2内螺纹轮辐式测力传感器采用低截面的紧凑设计,合金钢无电解镀镍处理,具有高输出小变形,偏心加载补偿等特点。
产品用途:KTK106-T2内螺纹轮辐式测力传感器适用于试验机等力量测量。
量程:600 kN(60t)、1000 kN(100t)
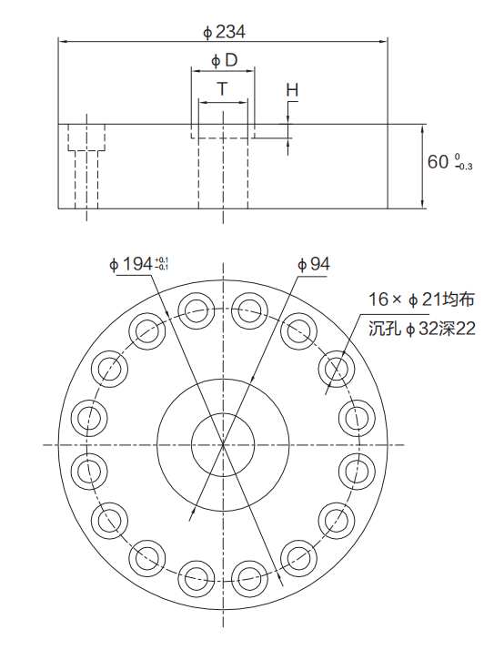
技术参数及外形尺寸:
序号 | 产品技术参数 | |
1 | 额定载荷 | 60-100t |
2 | 综合精度 | 0.05;0.1%F.S |
3 | 灵敏度 | 3.0mV/V |
4 | 零点输出 | ≤0.1%F.S |
5 | 输入阻抗 | 770±20Ω |
6 | 输出阻抗 | 701±3Ω |
7 | 绝缘阻抗 | ≥5000MΩ |
8 | 补偿温度范围 | -10~40℃ |
9 | 适用温度范围 | -30~70℃ |
10 | 安全过载 | 120%F.S |
11 | 极限载荷 | 200%F.S |
12 | 材质 | 合金钢 |
13 | 激励电压 | 10V(DC) |
14 | 密封等级 | IP67 |
15 | 电缆 | 6m/10m |
16 | 接线方式 | 红……E+(电源正) 黑……E-(电源负) 绿……S+(信号正) 白……S-(信号负) |

型号 | 量程(kN) | 量程(t) | D | T | H |
KTK106-T1 | 600,1000 | 60,100 | --- | M64×3 | --- |
KTK106-T2 | 600,1000 | 60,100 | --- | Φ35 | --- |
KTK106-T3 | 600,1000 | 60,100 | 45 | Φ35 | 10 |