
产品特点:KTK402法兰式称重传感器采用优质合金钢,结构合理、力学特性优良;精密温度补偿、高精度、低温票、适合长期使用;使用寿命长、可靠性好,安装方便,维护方便。
产品用途:KTK402法兰式称重传感器适用于罐料秤、干粉砂浆罐称重使用。抗过载能力强、稳定可靠、适用于恶劣的工业环境。
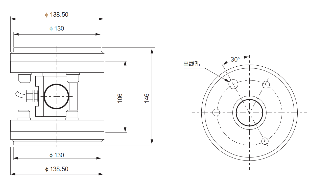
量程:50kN(5t)、100kN(10t)、150kN(15t)、200kN(20t)
技术参数:
序号 | 产品技术参数 | |
1 | 额定载荷 | 5t、10t,15t,20t |
2 | 综合误差 | ±0.02%F.S |
3 | 灵敏度 | 2.000±0.002mV/V |
4 | 蠕变 | ±0.02%F.S |
5 | 零点平衡 | ±1%F.S |
6 | 输入阻抗 | 380±10Ω |
7 | 输出阻抗 | 350±5Ω |
8 | 绝缘阻抗 | ≥5000MΩ |
9 | 补偿温度范围 | -30~70℃ |
10 | 工作温度范围 | -30~70℃ |
10 | 安全过载 | 150%F.S |
11 | 极限过载 | 200%F.S |
12 | 材质 | 合金钢 |
13 | 推荐工作电压 | 5V-18V(DC) |
14 | 最大工作电压 | 24V |
15 | 输出温度影响 | ±0.02%F.S |
16 | 零点温度影响 | ±0.02%F.S |
17 | 电缆 | 5m |
18 | 接线方式 | 红……E+(输入正) 黑……E-(输入负) 绿……S+(输出正) 白……S-(输出负) |
